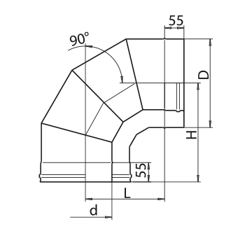
Сэндвич-колено Ferrum предназначено для изменения направления дымового канала на 90°.
Двустенный дымоход или сэндвич представляет собой конструкцию, которая состоит из двух, наделенных разными диаметрами труб (внешней и внутренней). Пространство между этими трубами наполнено теплоизоляционным материалом негорючего свойства, из базальтового волокна высокого качества. За счет такой конструкции, происходит быстрый нагрев внутренней трубы, что в последствие дает возможность за короткий промежуток времени после старта поднять температуру в дымоходе выше «точки росы», тем самым, избежав образования конденсата.
Дымоходная система имеет стандартный набор элементов, при помощи которых можно составить дымоотводящий канал практически любого уровня сложности. Каждый элемент соединяется с другим по раструбной схеме, они могут использоваться в рамках наружного и внутреннего монтажа, а также установки отдельно стоящих дымоходных систем. Выпуск элементов осуществляется в диапазоне диаметров от 80 до 300 мм.
Технические размеры

Схема деталей дымохода
